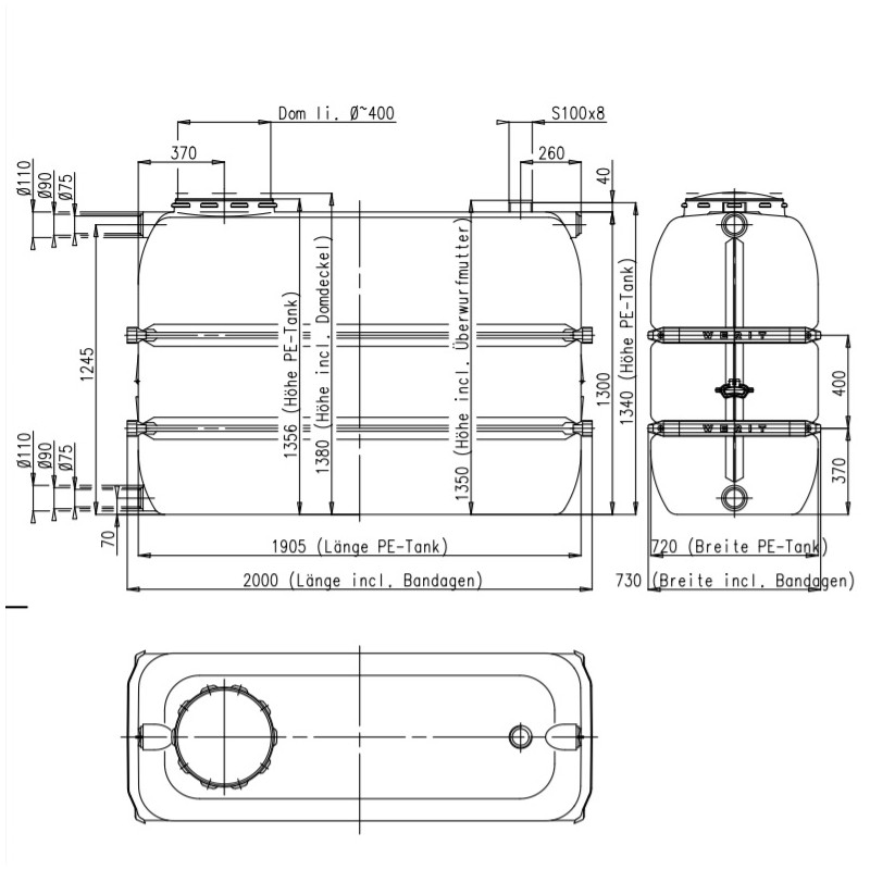
Zbiornik przemysłowy 1650 litrów naturalny lub czarny.
Zbiorniki przemysłowe są bezpieczne w użyciu i mają wysoką wartość użytkową, nadają się do składowania chemikaliów i żywności. Wykonane z polietylenu (HDPE) z cynkowanymi bandażami stalowymi są trwałe i przyjazne dla środowiska. Zbiorniki przemysłowe nadają się do bezpiecznego składowania półstałych i ciekłych surowców, ługów, lakierów lub agresywnych kwasów. Zbiorniki przemysłowe zdały egzamin jako zbiorniki na chemikalia i pojemniki przemysłowe w przemyśle spożywczym, chemicznym, ekologicznym i urządzeń do uzdatniania wody, w oczyszczalniach ścieków oraz chłodniach. Zbiorniki przemysłowe dostępne są naturalnie przezroczyste z widocznym stanem napełnienia lub chronione przed światłem czarne dla zapobieżenia rozwojowi glonów, a także w różnych rozmiarach od 1100 do 5000 l pojemności.
Wyposażenie:
1 szeroki otwór górny (400 mm ø) z pokrywą i pierścieniem zaciskowym
1 króciec wejściowy
S 100 x 8 gwint zewnętrzny
R2“ gwint wewnętrzny
1 przyłącze odpływowe/wyrównawcze
R2“ gwint zewnętrzny
ocynkowane opaski stalowe
Pojemność: 1650 L
Wymiary: 2000 x 730 x 1380
Waga: 88 kg






Recenzje
Brak recenzji.